Schubstangenspanner mit Gußkörper :
- Schwerer Schubstangenspanner mit Gußkörper
- Kompakte, schwere Ausführung mit hoher Haltekraft von 1800N bis 6800N
- Schubstange mit Innengewinde
- auch als Zollgewinde erhältlich
- Spanner verriegelt in eingefahrener und ausgefahrener Position
- Ein Einsatz sowohl als Druck- als auch Zugspanner möglich
- Qualitätsstahl vertzinkt und passiviert
- mit Gußkörper, brüniert
- ergonomischer Kunststoffgriff
- Modellnummer 304-EMSS in nichtrosteneder Ausführung aus Edelstahl verfügbar
Hinweis :
- u.a. alternativ passend für DST 608
- Preise und CAD-Daten auf Anfrage !
Produktdaten & Varianten
| Bestellnummer |
Größe |
F1 | F2 | Höhe | Länge | Hub |
Schraube | Gewicht | Preis |
CAD |
PDF |
| [kN] | [kN] | [mm] | [mm] | [mm] | [mm] | [g] | [EUR] |
| DST-305-BM |
2 |
1.8 |
1.8 |
156 |
146.5 |
33.8 |
SA-085012 |
480 |
auf Anfrage |
- |
- |
| DST-304-CM |
3 |
2.27 |
2.27 |
76.5 |
125.7 |
32 |
FC-085012 |
340 |
auf Anfrage |
- |
- |
| DST-305-CM |
3 |
2.27 |
2.27 |
76.5 |
125.7 |
32 |
FC-085012 |
340 |
auf Anfrage |
- |
- |
| DST-304-EM |
4 |
3.96 |
3.86 |
96.4 |
158.2 |
42 |
SA-105015 |
580 |
auf Anfrage |
- |
- |
| DST-304-EMSS |
4 |
3.96 |
3.96 |
96.4 |
158.2 |
42 |
SA-105015 |
580 |
auf Anfrage |
- |
- |
| DST-305-EM |
4 |
3.96 |
3.96 |
96.4 |
158.2 |
42 |
SA-105015 |
580 |
auf Anfrage |
- |
- |
| DST-304-HM |
5 |
6.8 |
6.8 |
171.6 |
234 |
60 |
SA-125017 |
1480 |
auf Anfrage |
- |
- |
| DST-305-HM |
5 |
6.8 |
6.8 |
171.6 |
234 |
60 |
SA-125017 |
1480 |
auf Anfrage |
- |
- |
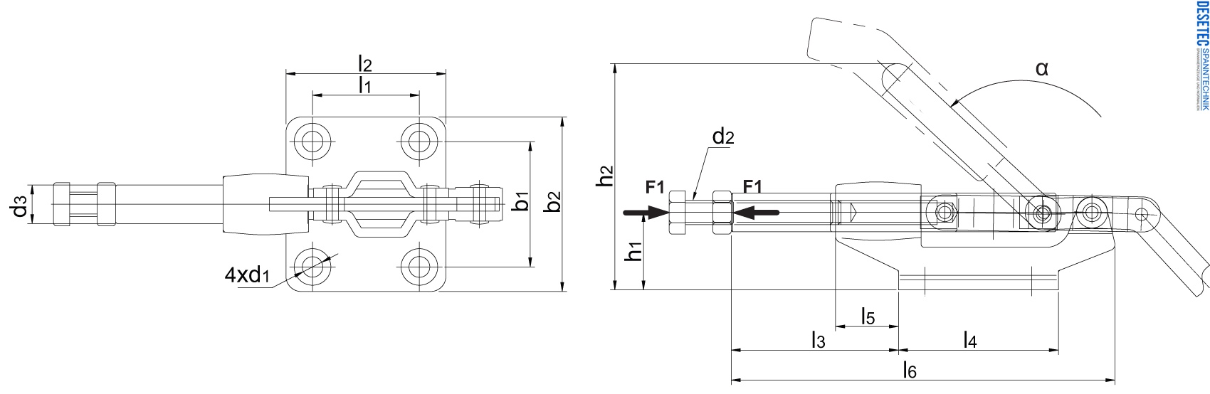
| Art.-Nr. | F [N] | Hub [mm] | α1 | b1 | l1 | b2 | l2 | h1 | h2 | d1 | d3 | l3 | l4 | l5 | l6 | d2 | Gewicht [g] | Preis |
| 304-CM |
2270 |
32 |
180° |
41.1 |
35 |
57.2 |
52.4 |
25.4 |
74.2 |
6.7 |
12.7 |
54.8 |
52.4 |
20.6 |
125 |
M8x1.25 |
340 |
a.A. |
| 305-CM |
2270 |
32 |
180° |
41.1 |
35 |
57.2 |
52.4 |
25.4 |
94.8 |
6.7 |
12.7 |
54.8 |
52.4 |
20.6 |
125 |
M8x1.25 |
340 |
a.A. |
| 304-EM |
3860 |
42 |
185° |
41.1 |
41.1 |
57.2 |
58.8 |
31.8 |
93.5 |
8.3 |
16 |
81 |
58.8 |
31.8 |
163 |
10x1.5 |
580 |
a.A. |
304-EMSS EDELSTAHL |
3860 |
42 |
185° |
41.1 |
41.1 |
57.2 |
58.8 |
31.8 |
93.5 |
8.3 |
16 |
81 |
58.8 |
31.8 |
163 |
10x1.5 |
580 |
a.A. |
| 305-EM |
3860 |
42 |
180° |
41.1 |
41.1 |
57.2 |
58.8 |
31.8 |
119.5 |
8.3 |
16 |
81 |
58.8 |
31.8 |
163 |
10x1.5 |
580 |
a.A. |
| 304-HM |
6800 |
60 |
180° |
50.8 |
50.8 |
71.4 |
73.2 |
44.4 |
131.6 |
8.3 |
19.2 |
119.8 |
73.2 |
50.8 |
235 |
M12x1.75 |
1480 |
a.A. |
| 305-HM |
6800 |
60 |
180° |
50.8 |
50.8 |
71.4 |
73.2 |
44.4 |
171.6 |
8.3 |
19.2 |
119.8 |
73.2 |
50.8 |
235 |
M12x1.75 |
1480 |
a.A. |
| 305-BM |
1800 |
33.8 |
185° |
32 |
34 |
48 |
50 |
25 |
152.5 |
7 |
12 |
66.7 |
50 |
22 |
146.9 |
M8x1.25 |
480 |
a.A. |
Produktbeschreibung :
- Max. Haltekraft 6800N
- Material : Qualitäts stahl vertzinkt und passiviert
- mit Gußkörper, brüniert
- Kompakte Ausführung mit hoher Haltekraft
- Kompakter praktischer Einhandgriff
- Schubstange mit Innengewinde
- auch als Zollgewinde erhältlich
- verriegelt in eingefahrener und ausgefahrener Position
- Ein Einsatz sowohl als Druck- als auch Zugspanner möglich

Produktbeschreibung :
- Haltekraft von 6800N
- Qualitätsstahl vertzinkt und passiviert
- mit Gußkörper, brüniert
- Kompakte Ausführung mit hoher Haltekraft
- Kompakter praktischer Einhandgriff
- Schubstange mit Innengewinde
- auch als Zollgewinde erhältlich
- verriegelt in eingefahrener und ausgefahrener Position
- Ein Einsatz sowohl als Druck- als auch Zugspanner möglich

Produktbeschreibung :
- Haltekraft von 2270N
- Qualitätsstahl vertzinkt und passiviert
- mit Gußkörper, brüniert
- Kompakte Ausführung mit hoher Haltekraft
- Kompakter praktischer T-Handgriff
- Schubstange mit Innengewinde
- auch als Zollgewinde erhältlich
- verriegelt in eingefahrener und ausgefahrener Position
- Ein Einsatz sowohl als Druck- als auch Zugspanner möglich

Produktbeschreibung :
- Haltekraft von 3860N
- Qualitätsstahl vertzinkt und passiviert
- mit Gußkörper, brüniert
- Kompakte Ausführung mit hoher Haltekraft
- Praktischer langer Handhebel
- Schubstange mit Innengewinde
- auch als Zollgewinde erhältlich
- verriegelt in eingefahrener und ausgefahrener Position
- Ein Einsatz sowohl als Druck- als auch Zugspanner möglich
