DST-30606 Schmaler Schubstangenspanner für enge Räume

Kompakter Schubstangenspanner mit schmalem Flanschfuß:

  • Robuster Schubstangenspanner in besonders platzsparender Bauform
  • Ausführung mit schmaler Flanschbasis für seitliche Montage
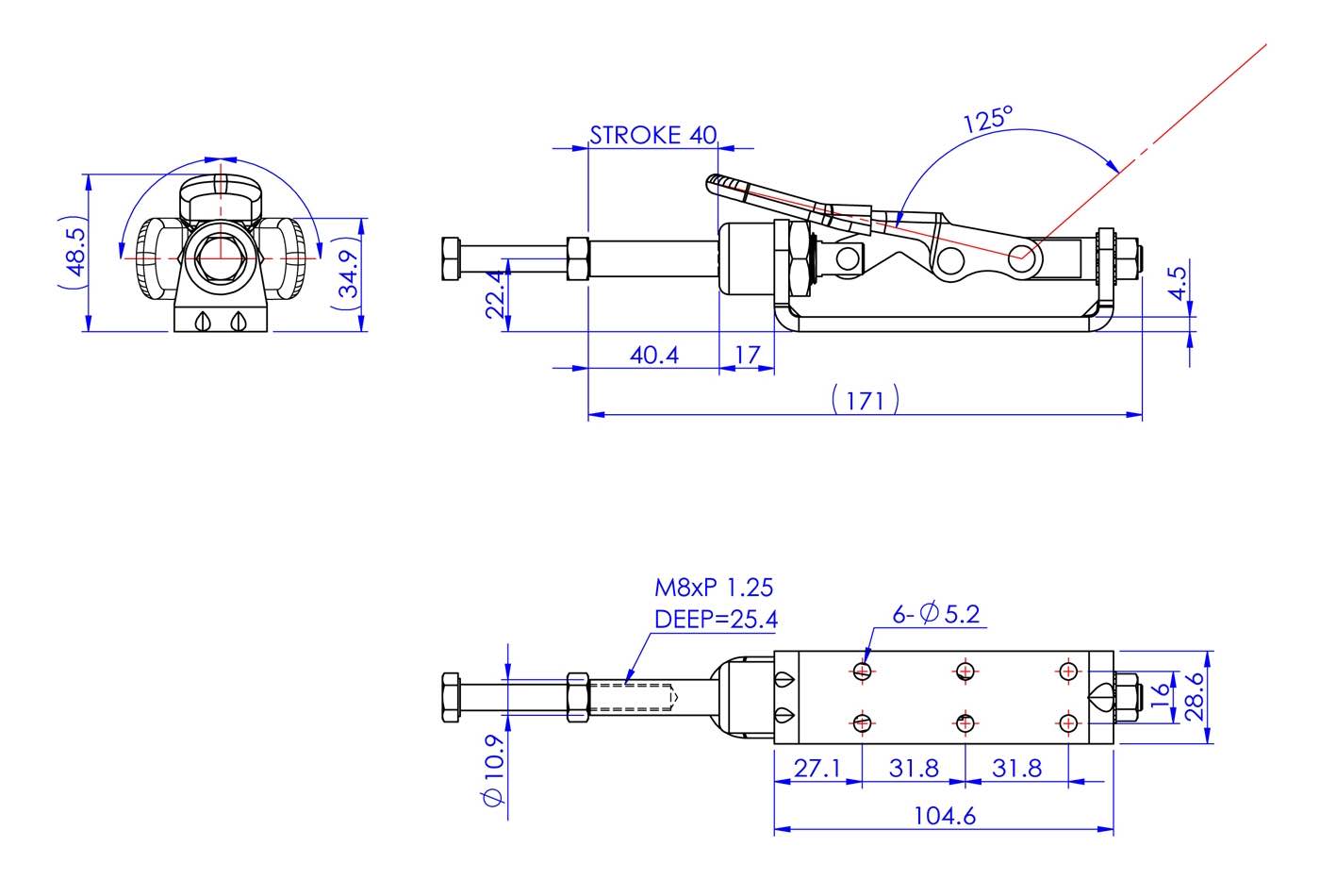
  • Handgriff und Halterung sind um 125° schwenkbar für flexible Bedienung
  • Schubspanner verriegelt sicher in der ausgefahrenen Position
  • Einsatz primär als Druckspanner in engen Bauräumen
  • max. Haltekraft 2000N (Modell 606)
  • Kompakte Abmessungen bei gleichzeitig hoher Stabilität
  • Material: Qualitätsstahl verzinkt und passiviert
  • Ergonomischer, ölbeständiger Kunststoffgriff
Hinweis:
  • Preise auf Anfrage!
Technische Spezifikationen
Max. Haltekraft (kN) 2
Hub (mm) 40
Material Stahl
Gewicht (g) 370
Kolbenhöhe 22.4
Bauhöhe 48.5
Gesamtlänge (mm) 171
Andruckspindel FC-086512
Handgriff-Winkel 125
Fußausrichtung Waagrecht
Ausführung Normal
Serie GH
Preis 45 €
CAD-Daten Download
Datenblatt PDF-Download