Vertikale Kniehebelspanner / Senkrechtspanner mit waagrechtem Fuß – Edelstahlausführung
Senkrechtspanner M10P mit waagrechtem Fuß und offenem Haltearm in Edelstahlausführung sind manuelle Kniehebelspanner (auch Vertikalspanner genannt) zum schnellen Spannen von Werkstücken in Vorrichtungen. Sie werden häufig im Vorrichtungsbau, in Schweißvorrichtungen sowie in Montageanlagen eingesetzt. Durch den offenen Haltearm kann die Andrückschraube flexibel positioniert werden. Dank ihres effizienten Kniehebelmechanismus erzielen sie hohe Spannkräfte bei minimalem Kraftaufwand.
Die rostfreie Edelstahlausführung ist besonders für Anwendungen geeignet, bei denen Korrosionsbeständigkeit und hohe hygienische Anforderungen gefordert sind, beispielsweise in der Lebensmittel-, Pharma- oder chemischen Industrie. Gefertigt aus hochwertigen Edelstahlkomponenten ist die gesamte Konstruktion auf einen wartungsarmen Dauereinsatz auch unter anspruchsvollen Umgebungsbedingungen ausgelegt.
- Nichtrostende Ausführung aus hochwertigem Edelstahl
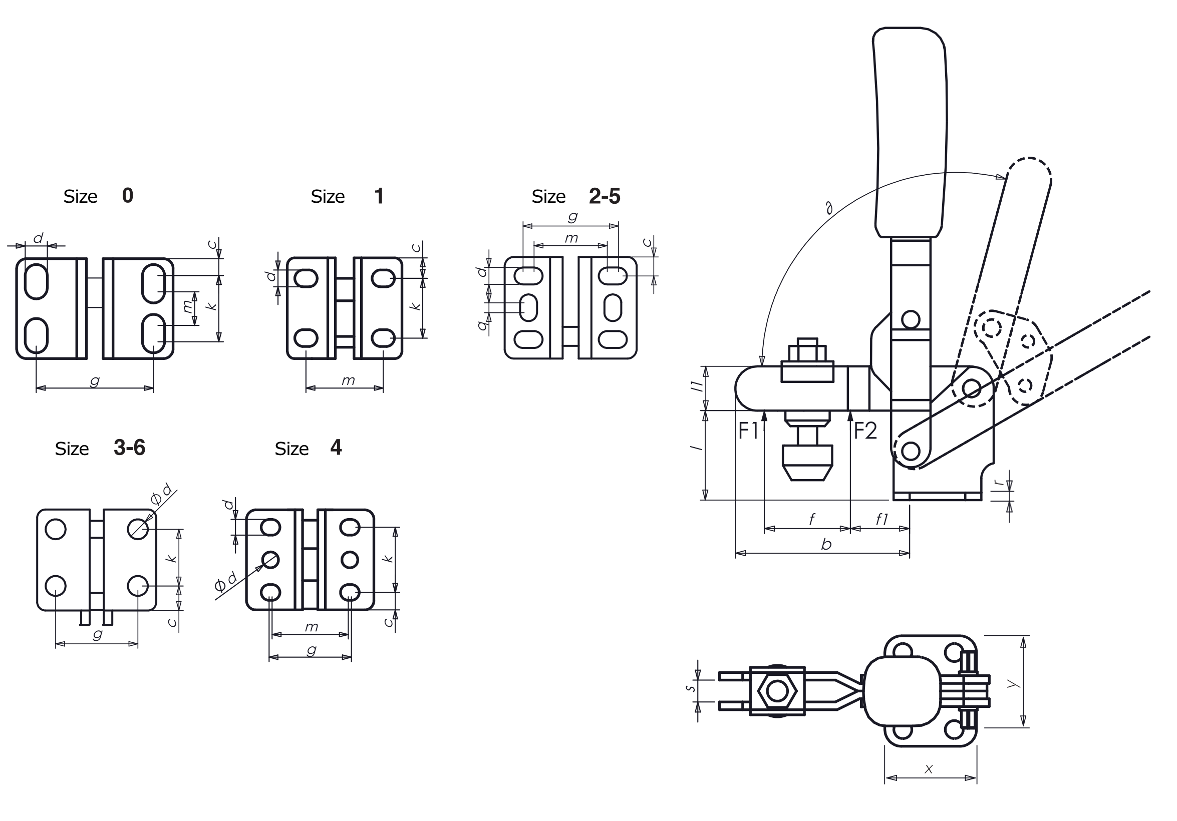
- verstellbarer offener Haltearm mit Verliersicherung der Andrückschraube an den Enden
- Niete aus nichtrostendem Stahl in einsatzgehärteten Buchsen (ausgen. Größe 0 und 1)
- Gefettete Lager- und Gelenkstellen
- Mechanik mit präventiver Funktion zur Erhöhung der Bediener-Sicherheit
- Komplett mit vergüteter, verzinkter Andrückschraube mit Mutter und Scheibe (FK 8.8)
- Hochwertiger Gummi-Druckstück bildet mit der Andrückschraube eine gesamte Einheit
- Gummi-Druckstück ist öl- und hitzebeständig
- Ölbeständiger roter Softgrip-Handgriff, robust und ergonomisch geformt
- Auf Wunsch bereits ab kleinen Bestellmengen mit Edelstahl-Rohrgriff lieferbar
- optional mit Sicherheitsverriegelung anfragen
- u.a. alternatif passend zu 6800NI
- CAD-Daten stehen weiter unten zum Downloaden zur Verfügung !






